Wiring Diagram Toyota Hilux - Wiring Diagram Sfa Hilux 4x4 Forum :

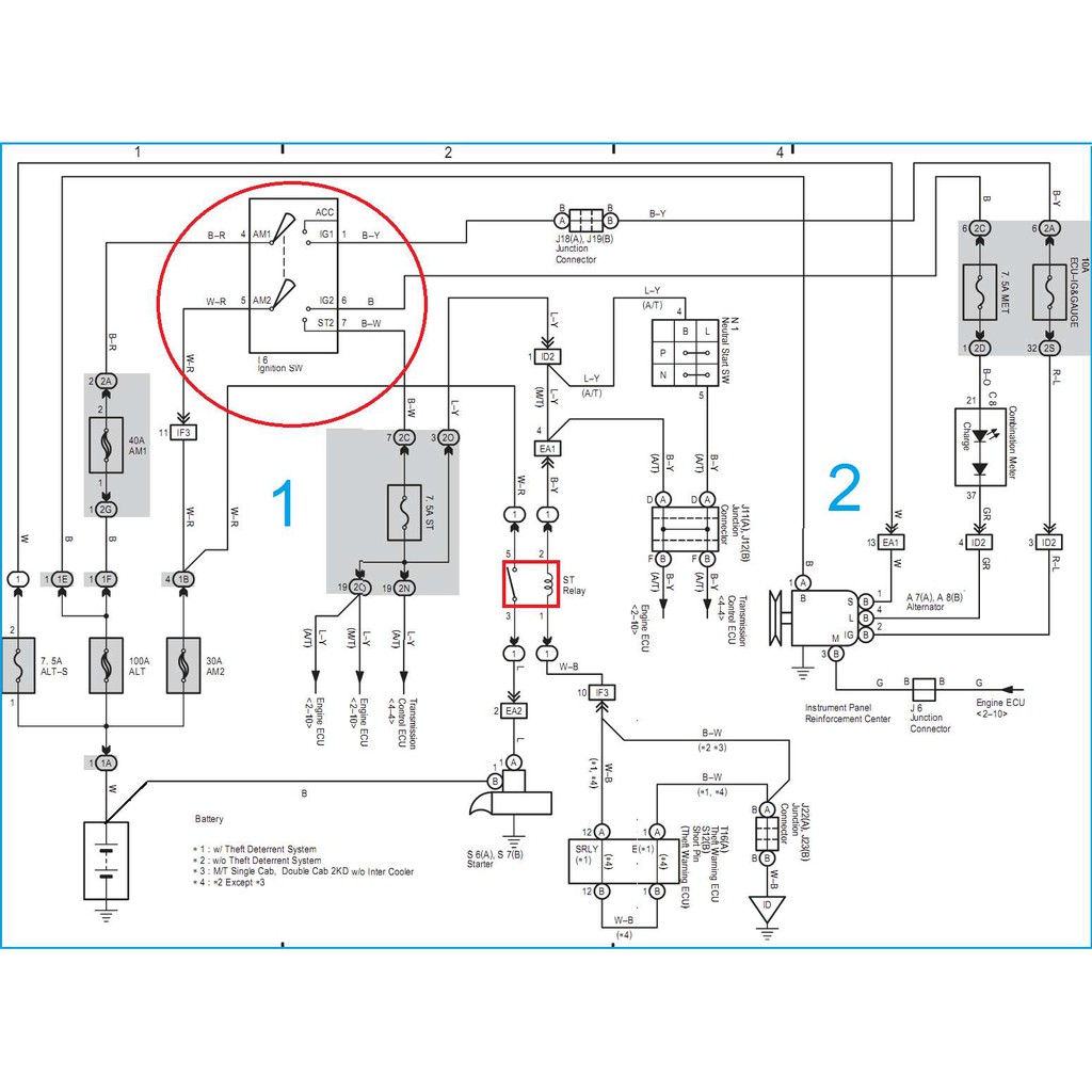
Print the electrical wiring diagram off and use highlighters to trace the signal. Toyota hilux 2017 electrical wiring diagram size: 30.04.2020 · toyota hilux wiring diagram from www.epcdepo.com. Toyota hilux electrical wiring diagram. This wiring diagram manual has been prepared to provide information on the electrical system of the hilux.

This wiring diagram manual has been prepared to provide information on the electrical system of the hilux. 11 X 17 Color Wiring Diagram For Toyota 1981 Hilux Pickup Truck All Models Ebay
11 X 17 Color Wiring Diagram For Toyota 1981 Hilux Pickup Truck All Models Ebay from i.ebayimg.com
It is the same manual that your local toyota dealer mechanics use to diagnose and repair your car. This wiring diagram manual has been prepared to provide information on the electrical system of the hilux. When you make use of your finger or perhaps follow the circuit with your eyes, it is easy to mistrace the circuit. Hilux repair manual hilux new car features dr172e … Kun15, 16, 25, 26 series for service specifications and repair procedures of the above models other than those listed in this manual, refer to the following manuals; Toyota hilux electrical wiring diagram. 24.03.2021 · free electrical wiring diagrams. 30.04.2020 · toyota hilux wiring diagram from www.epcdepo.com.

30.04.2020 · toyota hilux wiring diagram from www.epcdepo.com.

It is the same manual that your local toyota dealer mechanics use to diagnose and repair your car. Print the electrical wiring diagram off and use highlighters to trace the signal. When you make use of your finger or perhaps follow the circuit with your eyes, it is easy to mistrace the circuit. Hilux repair manual hilux new car features dr172e … Toyota hilux electrical wiring diagram. This wiring diagram manual has been prepared to provide information on the electrical system of the hilux. One trick that i use is to print out exactly the same wiring diagram off twice. 24.03.2021 · free electrical wiring diagrams. Kun15, 16, 25, 26 series for service specifications and repair procedures of the above models other than those listed in this manual, refer to the following manuals; 50.00 $ 40.00 $ add to cart. Toyota hilux 2017 electrical wiring diagram size: 30.04.2020 · toyota hilux wiring diagram from www.epcdepo.com.

Hilux repair manual hilux new car features dr172e … Kun15, 16, 25, 26 series for service specifications and repair procedures of the above models other than those listed in this manual, refer to the following manuals; Print the electrical wiring diagram off and use highlighters to trace the signal. Toyota hilux 2017 electrical wiring diagram size: This wiring diagram manual has been prepared to provide information on the electrical system of the hilux.

When you make use of your finger or perhaps follow the circuit with your eyes, it is easy to mistrace the circuit. 1985 Toyota Pickup Truck Hilux 4runner Wiring Diagram
1985 Toyota Pickup Truck Hilux 4runner Wiring Diagram from 6thgeargarage.net
Kun15, 16, 25, 26 series for service specifications and repair procedures of the above models other than those listed in this manual, refer to the following manuals; When you make use of your finger or perhaps follow the circuit with your eyes, it is easy to mistrace the circuit. 50.00 $ 40.00 $ add to cart. Toyota hilux electrical wiring diagram. 24.03.2021 · free electrical wiring diagrams. Toyota hilux 2017 electrical wiring diagram size: Hilux repair manual hilux new car features dr172e … 30.04.2020 · toyota hilux wiring diagram from www.epcdepo.com.

30.04.2020 · toyota hilux wiring diagram from www.epcdepo.com.

Print the electrical wiring diagram off and use highlighters to trace the signal. 30.04.2020 · toyota hilux wiring diagram from www.epcdepo.com. 24.03.2021 · free electrical wiring diagrams. Toyota hilux 2017 electrical wiring diagram size: This wiring diagram manual has been prepared to provide information on the electrical system of the hilux. When you make use of your finger or perhaps follow the circuit with your eyes, it is easy to mistrace the circuit. Toyota hilux electrical wiring diagram. It is the same manual that your local toyota dealer mechanics use to diagnose and repair your car. Hilux repair manual hilux new car features dr172e … Kun15, 16, 25, 26 series for service specifications and repair procedures of the above models other than those listed in this manual, refer to the following manuals; One trick that i use is to print out exactly the same wiring diagram off twice. 50.00 $ 40.00 $ add to cart.

30.04.2020 · toyota hilux wiring diagram from www.epcdepo.com. It is the same manual that your local toyota dealer mechanics use to diagnose and repair your car. Toyota hilux 2017 electrical wiring diagram size: This wiring diagram manual has been prepared to provide information on the electrical system of the hilux. Print the electrical wiring diagram off and use highlighters to trace the signal.

Toyota hilux electrical wiring diagram. Toyota Hilux 4 Runner Diesel 1979 1997 Auto Repair Manual Ln Diesel Eng 2 4 Wheel Drive Max Ellery S Vehicle Repair Manuals S Ellery Max Amazon De Bucher
Toyota Hilux 4 Runner Diesel 1979 1997 Auto Repair Manual Ln Diesel Eng 2 4 Wheel Drive Max Ellery S Vehicle Repair Manuals S Ellery Max Amazon De Bucher from images-na.ssl-images-amazon.com
When you make use of your finger or perhaps follow the circuit with your eyes, it is easy to mistrace the circuit. Kun15, 16, 25, 26 series for service specifications and repair procedures of the above models other than those listed in this manual, refer to the following manuals; 50.00 $ 40.00 $ add to cart. It is the same manual that your local toyota dealer mechanics use to diagnose and repair your car. 24.03.2021 · free electrical wiring diagrams. Toyota hilux 2017 electrical wiring diagram size: Hilux repair manual hilux new car features dr172e … Toyota hilux electrical wiring diagram.

This wiring diagram manual has been prepared to provide information on the electrical system of the hilux.

Kun15, 16, 25, 26 series for service specifications and repair procedures of the above models other than those listed in this manual, refer to the following manuals; When you make use of your finger or perhaps follow the circuit with your eyes, it is easy to mistrace the circuit. 50.00 $ 40.00 $ add to cart. This wiring diagram manual has been prepared to provide information on the electrical system of the hilux. Toyota hilux electrical wiring diagram. 24.03.2021 · free electrical wiring diagrams. It is the same manual that your local toyota dealer mechanics use to diagnose and repair your car. Print the electrical wiring diagram off and use highlighters to trace the signal. One trick that i use is to print out exactly the same wiring diagram off twice. Toyota hilux 2017 electrical wiring diagram size: Hilux repair manual hilux new car features dr172e … 30.04.2020 · toyota hilux wiring diagram from www.epcdepo.com.

Wiring Diagram Toyota Hilux - Wiring Diagram Sfa Hilux 4x4 Forum :. Toyota hilux electrical wiring diagram. 50.00 $ 40.00 $ add to cart. Print the electrical wiring diagram off and use highlighters to trace the signal. 24.03.2021 · free electrical wiring diagrams. It is the same manual that your local toyota dealer mechanics use to diagnose and repair your car.

0 Komentar untuk "Wiring Diagram Toyota Hilux - Wiring Diagram Sfa Hilux 4x4 Forum :"

Back To Top